Vacatures
Klantenservice
040 - 209 49 00
info@distrilight.com
Projecten
Menu
Inloggen
Offertelijst
LED Armaturen
Noodverlichting
Lichtbronnen
Slimme lichtsturing
Installatiemateriaal
Lichtplanservice
Pragmalux
Contact
Home
LED ARMATUREN
LED Railspots
Spanningsrails
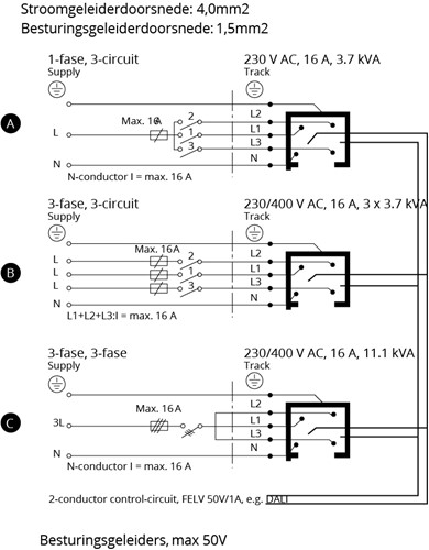
PRX 3-fase Rails DALI (L1-L2-L3-N-E) (DA+/DA-)
PRX 3-Fase DALI Rail 4M Vierkant Grijs 230V/400V 16A
Bekijk alles uit de categorie PRX 3-fase Rails DALI (L1-L2-L3-N-E) (DA+/DA-)
Inloggen
Bezig met verwerken...
Offerte aanvragen
Zet in Mijn assortiment
Vragen voor onze lichtspecialisten?
040-209 4900
(ma - vrij: 8 - 17u)
Toevoegen aan favorieten
Artikelomschrijving & specificaties
Documenten
Accessoires
Veel gestelde vragen
Artikelomschrijving
Geen artikelinformatie beschikbaar.
Documenten
prx-3-fase-dali-rail-presenter.pdf
Specificaties
Merk
Pragmalux
Categorie
PRX 3-fase Rails DALI (L1-L2-L3-N-E) (DA+/DA-)
EAN Code
8721432012905
Artikelcode
2012905
Verpakking
Stuk(s)
Lengte
4000 Millimeter
Vorm
Rechthoekig
Kleur
Grijs
Aantal groepen/fasen
3
Nom. spanning
220 - 240 Volt
Max. elektrische belastbaarheid per fase
3500 Watt
Materiaal
Aluminium
Geschikt voor pendelophanging
Ja
Breedte
31,5 Millimeter
Hoogte
32,5 Millimeter
Toon meer
Accessoires
PRX 3-Fase Rail beugel en snelspanner zilvernikkel (excl. Staalkabel)
Artikelnummer: 2013056
PRX 3-Fase Rail pendelset incl. plafondbus zilver M10 + staalkabel 3m zilver (excl. railbeugel en snelspanner) 10x
Artikelnummer: 2012950
PRX 3-Fase Rail pendelset incl. plafondbus zilver M10 + staalkabel 6m zilver (excl. railbeugel en snelspanner) 10x
Artikelnummer: 2012967
Stel een vraag over dit artikel
*
*
*
*
*
Inloggen
Home
LED ARMATUREN
LED Panelen
LED Downlight
LED Spot voor Gu10 Lampen
Wandarmatuur/Bulkheads
LED Bandraster armaturen
Waterdichte LED Armaturen
LED Lichtlijnverlichting (Retrofit en Nieuwe lichtlijnen)
Montagebalken
Highbay
LED Noodverlichting
LED Breedstraler
LED Railspots
LED Spot Met Ledmodule
LED Inbouw Richtspots
Opbouw Downlight
LED Hanglampen
Plafondspot LED (Decoratief)
Rail Linear Armaturen
Decoratieve armaturen
LED Wandarmaturen
LED Lowbay
LED Modules
LED Spiegelarmaturen
LED Sporthalarmaturen
LED Straatverlichting
LED Toebehoren
3-Fase rail en connector
Lichtcontrole
Installatiekabels en overig
LED Verlichting accessoires
GU10 Fitting
Marketing ondersteuning
Noodmodules
Noodverlichting Batterijen
LED LAMPEN
GU10 LAMPEN
Mico LED Module
RETROFIT LED Module
Merken
Offertelijst
Mijn assortiment
Mijn account
Inloggen
Registreren
Bestellijst
Bestelhistorie
Orders & facturen
Registreren
Winkelwagen
Offertelijst
Wis filters
Filter
&nspb;
Annuleren
Bevestigen